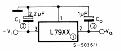
The integrated circuits of the SGS L79xx series are equivalent to those of the common 79xx series, consisting of negative voltage regulators. In the figure we have the basic configuration obtained from the SGS 1982 integrated circuits manual. The integrated circuit must be equipped with a heat radiator.




