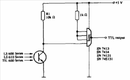
This Texas Instruments circuit uses a phototransistor to fire a TTL trigger port. Other phototransistors can be used, and the circuit can be used as a shield for microcontrollers.

This Texas Instruments circuit uses a phototransistor to fire a TTL trigger port. Other phototransistors can be used, and the circuit can be used as a shield for microcontrollers.
