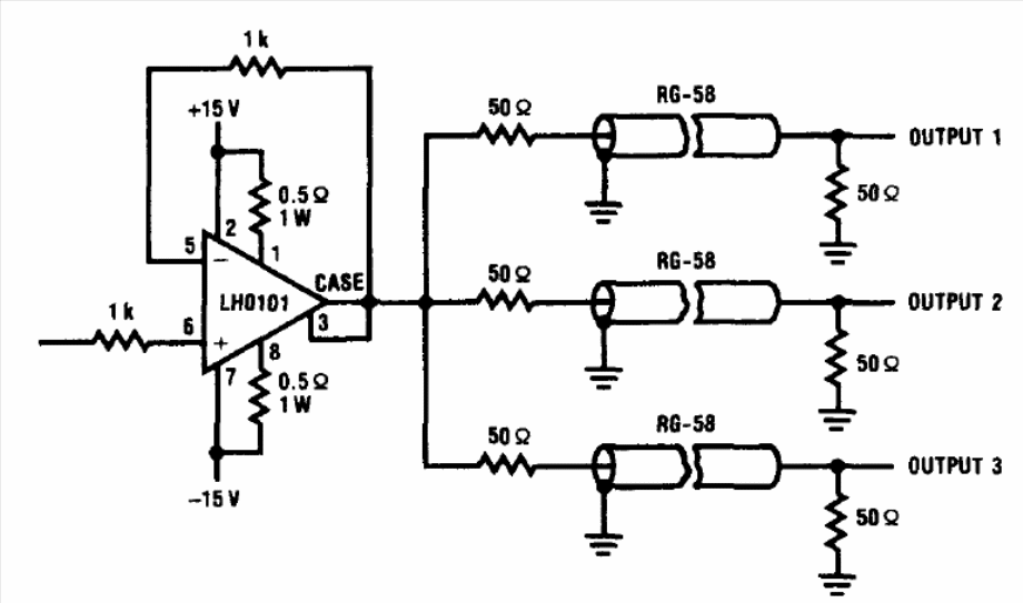
The circuit shown is from the 1994 National Semiconductor Linear Applications Handbook. The semiconductor component used is not common today.
The circuit in the figure indicates when the input voltage exceeds a certain value adjusted by the...
This crystal oscillator circuit for equipment calibration, generates a 100 kHz signal from a 1 MHz...
This circuit was obtained from an Electronics World of 1968. The transistor may be general purpose and...