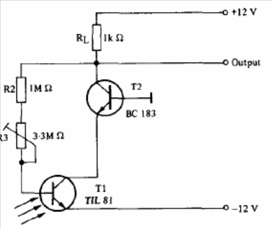
The circuit shown in the figure has a quick response using T2. The trimpot adjusts the sensitivity. The circuit is from a Texas Instruments opto-electronics manual. The transistor can be the BC548 and the power supply is symmetrical.

The circuit shown in the figure has a quick response using T2. The trimpot adjusts the sensitivity. The circuit is from a Texas Instruments opto-electronics manual. The transistor can be the BC548 and the power supply is symmetrical.
