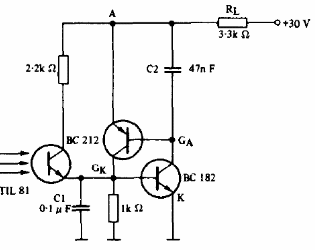
This circuit uses two transistors to simulate the action of an SCR on a regenerative switch. Equivalent transistors such as BC558 and BC548 can be used and the phototransistor can be of any type. The circuit is from Texas Instruments documentation.

This circuit uses two transistors to simulate the action of an SCR on a regenerative switch. Equivalent transistors such as BC558 and BC548 can be used and the phototransistor can be of any type. The circuit is from Texas Instruments documentation.
