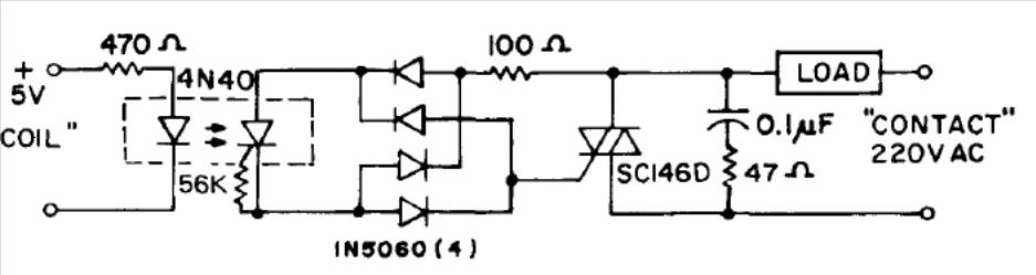
The presented circuit uses an opto-SCR. We found the circuit in the GE semiconductor manual. Equivalent triacs, depending on the load current and voltage, can be used.
We found this circuit in an Analog Devices documentation from the 90s. The circuit is based on a...
This circuit turns off a load after an interval of 8 to 80 seconds adjusted on the potentiometer. The...
Found elsewhere in this section, this circuit is from the April 1971 Radio Electronics magazine. Note...