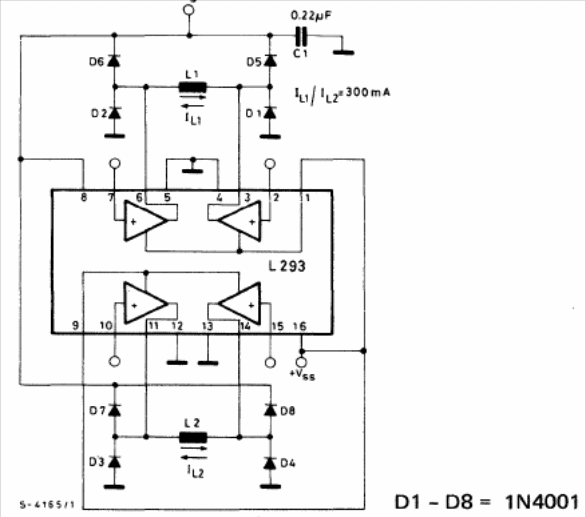
We found this circuit in the 1982 SGS Linear Integrated Circuits Manual. It is a control for bipolar motors with control inputs on pins 2, 7, 10 and 15. We can use the circuit as a shield for microcontrollers.

We found this circuit in the 1982 SGS Linear Integrated Circuits Manual. It is a control for bipolar motors with control inputs on pins 2, 7, 10 and 15. We can use the circuit as a shield for microcontrollers.
