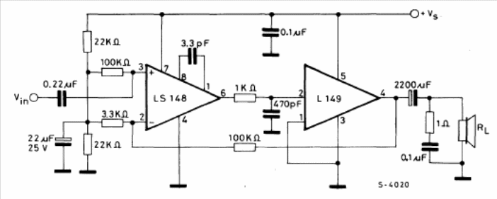
The integrated circuits used are from SGS, as we obtained this configuration from the 1982 company manual. The power depends on the supply between 7 and 30 V for a 4 ohms load, when the output power reaches 20 W. The L149 integrated circuit must be equipped with a good heat sink. The circuit works with loads of 8 ohms and voltage up to 36 V in this case.




