Photodiode Interface or Shield with Operational Amplifier (CB14672E)
Details
Written by: Newton C. Braga
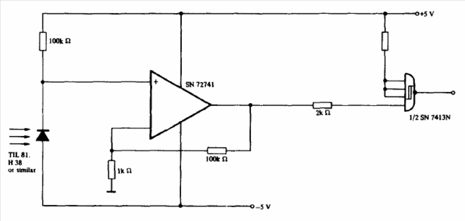
This circuit was found in a Texas Instruments optoelectronics documentation. The gain depends on the 100k resistor and the trigger is made for a TTL circuit.