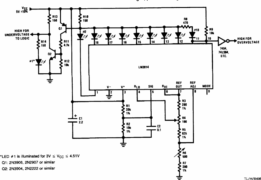
This circuit provides a logic output signal when the voltage exceeds a certain value. The circuit is from the 1994 Linear Applications Handbook by National Semiconductor.
This is one of the many versions of amplifiers with LM386. This was achieved in an old publication (1981). The...
This circuit consists of a design improvement that we have previously published (1982), obtaining a new...
The circuit below simulates an inductance with value given by the components, which can be...