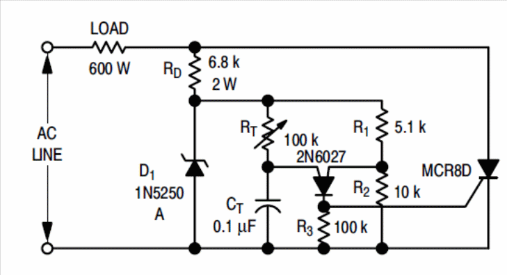
This circuit is from a thyristor manual from On Semiconductor. It makes use of a PUT and a SCR that admits equivalent, according to the engine power. The SCR must be equipped with a heat sink and the control is half wave.
This circuit is from a thyristor manual from On Semiconductor. It makes use of a PUT and a SCR that admits equivalent, according to the engine power. The SCR must be equipped with a heat sink and the control is half wave.