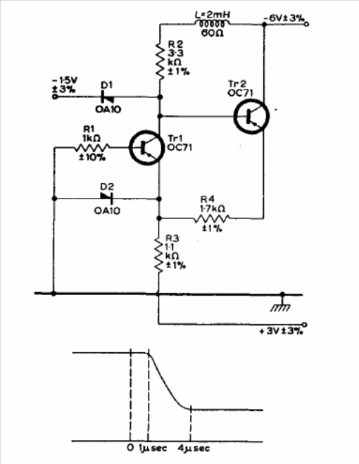
This circuit was found in Mullard's transistor application manual from 1960. The circuit can be designed in a modern version with silicon transistors and changes in resistors.

This circuit was found in Mullard's transistor application manual from 1960. The circuit can be designed in a modern version with silicon transistors and changes in resistors.
