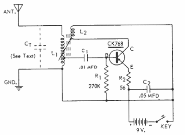
This transmitter, found in Raytheon documentation from 1957, has a range of a few meters. L1 can have 30 + 50 turns of wire 28 and L2 20 turns on L1 with the same wire. CT can be a variable capacitor to tune the transmitter.

This transmitter, found in Raytheon documentation from 1957, has a range of a few meters. L1 can have 30 + 50 turns of wire 28 and L2 20 turns on L1 with the same wire. CT can be a variable capacitor to tune the transmitter.
