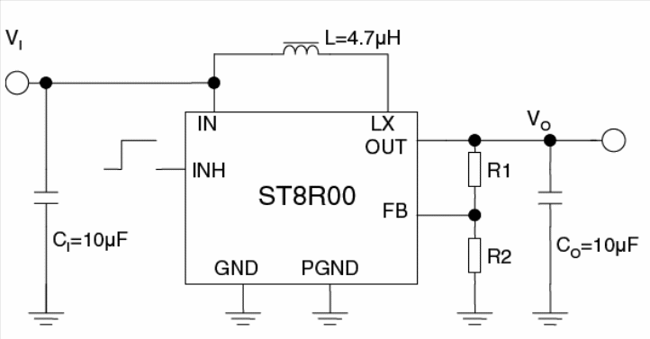
The circuit shown in figure uses the ST8R00 from ST Microelectronics which consists of a 1 A voltage converter. The 1 A converter consumes only 500 uA and can provide adjustable output voltages from 6 V to 12 V from voltages of 4 to 6 V input. The ST8R00 integrated circuit is supplied in a 4 x 4 mm DFN8 enclosure and has the additional characteristics of a low ripple voltage, only 5 mV 9tip), and requires few external components. The accuracy of the output voltage is +/- 2%. The output voltage is determined by the resistive divider formed by R1 and R2. The efficiency of the circuit reaches 90%. The PWM operation is performed on a frequency of 1.2 MHz.




