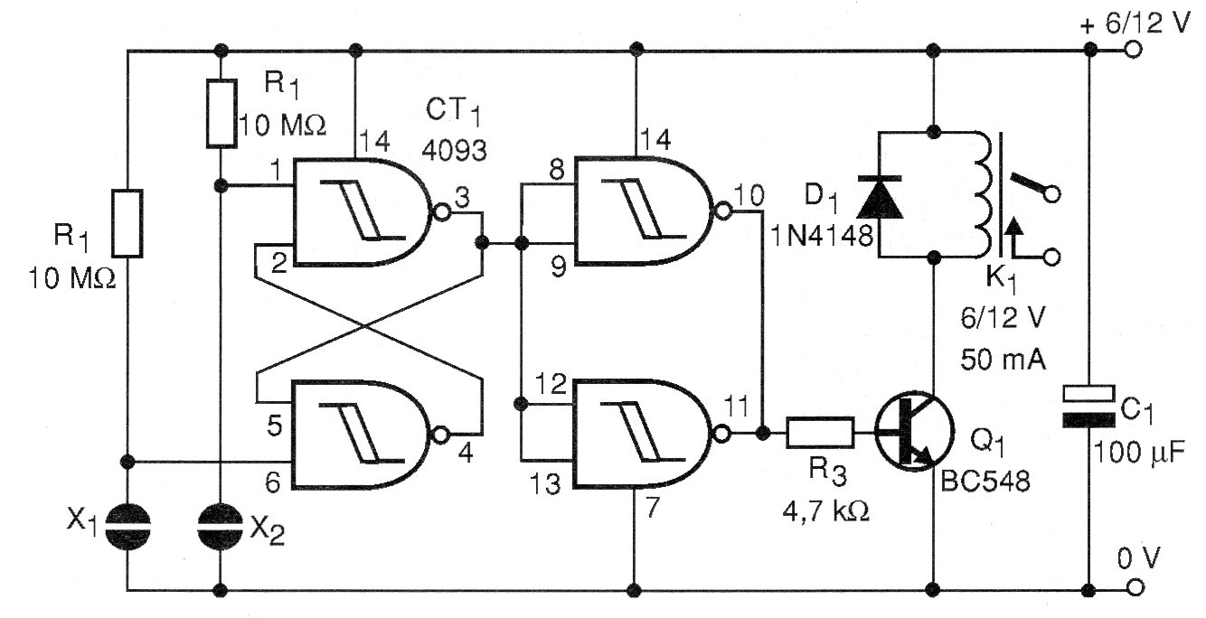
In a bistable circuit, as shown in the figure, we use two sensors. When one of them is touched, the circuit turns on and when the other is touched, it turns off. Resistors R1 and R2 determine the sensitivity and in this case the load consists of a relay with coil current up to 100 mA. The supply can be done with voltages from 5 to 12 V depending on the relay coil. A Darlington NPN can be used to directly control higher power loads. One possibility is the TIP110 for loads up to 1 A. The sensors are like to the one used in the previous project and there is also a recommendation to use an isolated source or battery in the supply. For assembly, both the common printed circuit board and the contact matrix option are available.




