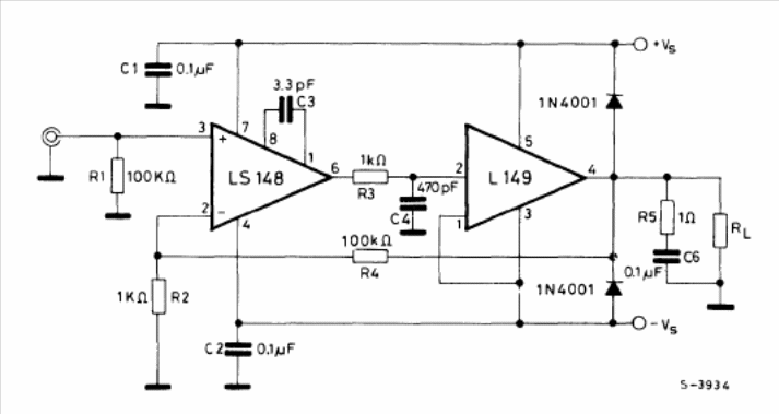
We found this circuit in the 1982 SGS linear integrated circuit manual. The L149 is not common today and the circuit can be implemented with equivalents.
This oscillator, which can be used as a signal injector, was found in a Popular Electronics from the 90s....
This circuit was found in a Dutch documentation from 1970. The circuit makes use of semiconductors that...
This circuit is from a publication from the 70s, but it can be assembled with any diac and a Triac...