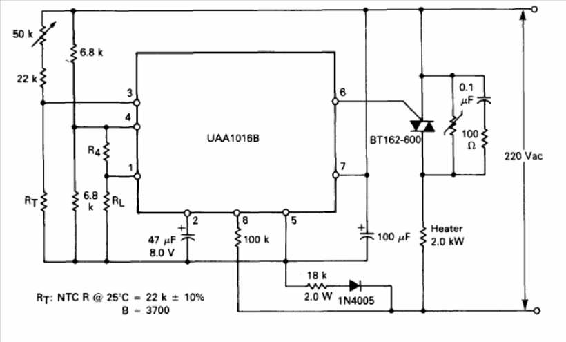
The integrated circuit used is from Motorola and the circuit from the 1990 Linear Databook. The component is not common, but the triac can be any of the TIC series depending on the controlled load.
The integrated circuit used is from Motorola and the circuit from the 1990 Linear Databook. The component is not common, but the triac can be any of the TIC series depending on the controlled load.