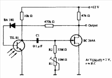
The selected circuit is from an opto-electronic publication by Texas Instruments. The FET admits equivalent and the trigger point is adjusted in the trimpot. The circuit admits use as a shield for microcontrollers.

The selected circuit is from an opto-electronic publication by Texas Instruments. The FET admits equivalent and the trigger point is adjusted in the trimpot. The circuit admits use as a shield for microcontrollers.
