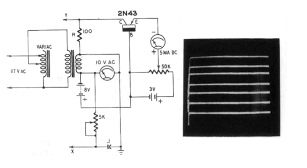
We found this circuit in an old publication. The transformer has a 9 or 12 V secondary, and the potentiometers can be changed to the closest commercial values. The circuit is connected to the oscilloscope's X and Y inputs.

We found this circuit in an old publication. The transformer has a 9 or 12 V secondary, and the potentiometers can be changed to the closest commercial values. The circuit is connected to the oscilloscope's X and Y inputs.
