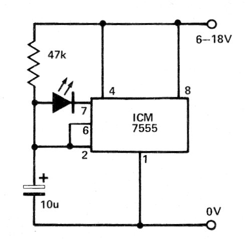
This circuit causes an LED to flash at a frequency determined by the capacitor. The circuit has an extremely low consumption and can be powered by voltages from 6 to 18 V. The circuit is from a 1981 publication. The common 555 can be used in place of the CMOS version, but the consumption will be slightly increased.




