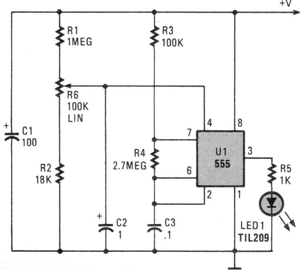
This circuit trips when the voltage set in the pot is exceeded. The tone depends on C3 and resistors R3 and R4. The circuit works with voltages from 5 to 15 V. We found this circuit in a 1990 documentation.

This circuit trips when the voltage set in the pot is exceeded. The tone depends on C3 and resistors R3 and R4. The circuit works with voltages from 5 to 15 V. We found this circuit in a 1990 documentation.
