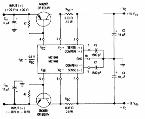
The integrated circuit used in this 1990 project is uncommon in our market, and transistors support equivalents. The circuit is from Motorola's Linear Databook.

The integrated circuit used in this 1990 project is uncommon in our market, and transistors support equivalents. The circuit is from Motorola's Linear Databook.
