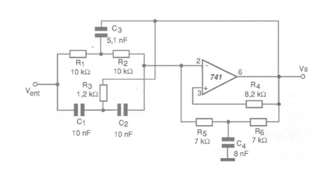
An interesting bandwidth filter configuration suggested by Texas Instruments in its Linear and Interface Circuits Applications - Volume 1 is shown in the figure. It is a circuit that uses a passive filter at the input (double T) followed by an active filter with an operational amplifier 741. The circuit is tuned to a frequency of 2 kHz and its response curve is shown in the same figure. This frequency is basically given by the double and the simple T in the negative feedback circuit of the operational. The circuit gain is 0 dB for frequencies that are not around 1 kHz. At a frequency of 2 kHz the attenuation reaches - 30 dB. The resulting Q factor is around 23. Of course, the components can have their values changed so that the filter operates centrally at other frequencies. We also remember that the power supply must be symmetrical.





