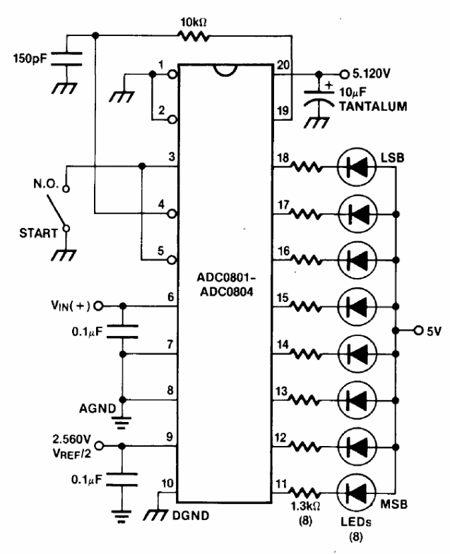
This circuit is from the 1983 Intersil Databook. The ADC0801 and 0804 are low-cost AD converters. They are not very common in the market today.

This circuit is from the 1983 Intersil Databook. The ADC0801 and 0804 are low-cost AD converters. They are not very common in the market today.
