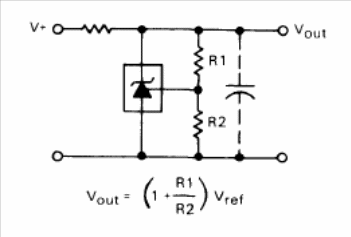
This circuit uses an unusual Motorola voltage reference. Other manufacturers also provide this integrated. The circuit is from Motorola's 1990 Linear Databook.

This circuit uses an unusual Motorola voltage reference. Other manufacturers also provide this integrated. The circuit is from Motorola's 1990 Linear Databook.
