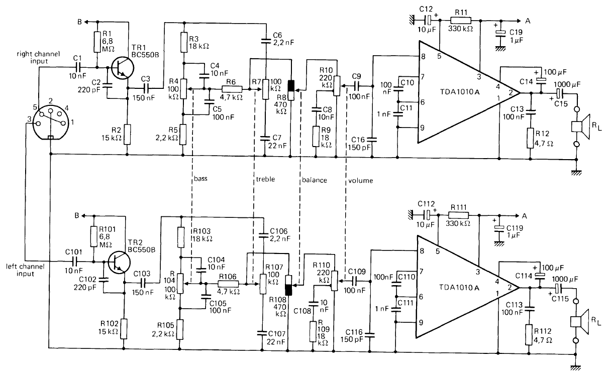
This circuit provides a power per channel between 6 and 10 W depending on the load. The circuit is from the Philips integrated circuits manual from 1990. The power supply voltage is from 17 V to 20 V.
This circuit provides a power per channel between 6 and 10 W depending on the load. The circuit is from the Philips integrated circuits manual from 1990. The power supply voltage is from 17 V to 20 V.