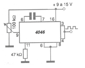
In the figure we show how to add a 100k ohms potentiometer to implement an oscillator controlled by this component. The frequency range generated can be obtained from the graph in the figure of CIR7974. The signal generated by this circuit is rectangular with amplitude equal to the voltage used in its supply.




