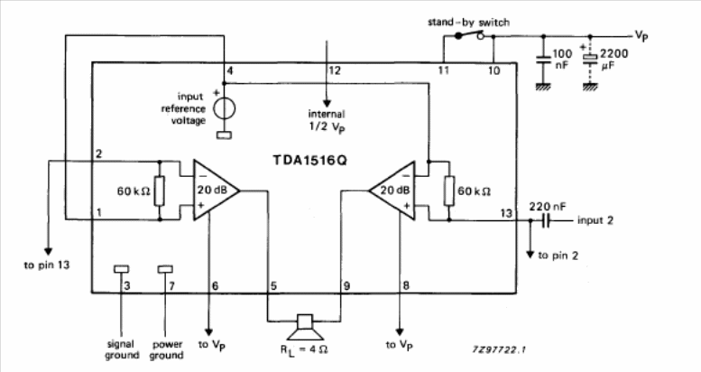
This circuit is from the 1990 Philips Databook. The circuit can be supplied with voltages up to 14.4 V and the load is 4 ohms for the indicated power. The integrated circuit must have a good heat radiator. The input resistance is 30k.
This circuit is from the 1990 Philips Databook. The circuit can be supplied with voltages up to 14.4 V and the load is 4 ohms for the indicated power. The integrated circuit must have a good heat radiator. The input resistance is 30k.