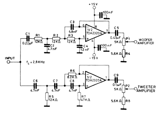
The integrated circuit used is not very common today, as the filter is from the manual of linear integrated circuits of SGS 1982. However, the performance is optimal as given by the graph. The supply must be symmetrical, and the input and output cables must be shielded. The cutoff frequency is 2.8 kHz





