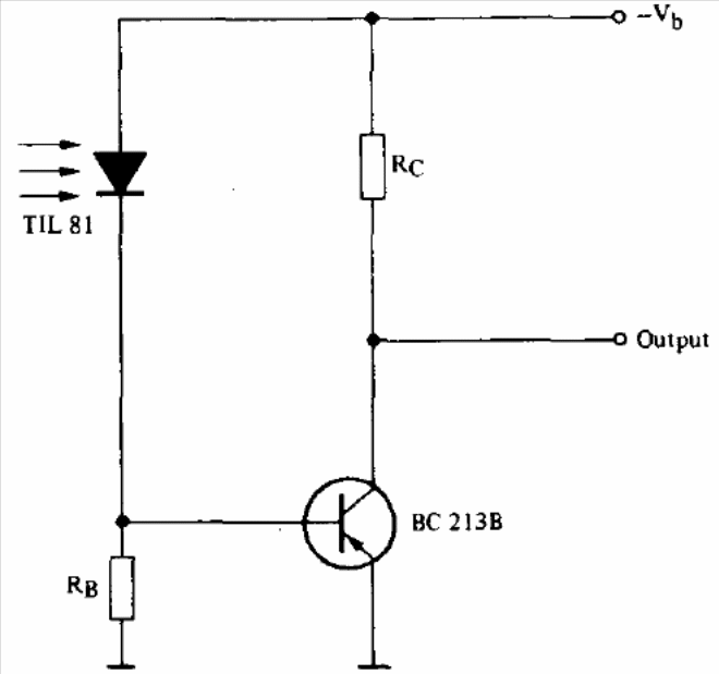
The presented circuit uses a PNP transistor, which can be the BC558. Observe the polarity of the supply. The circuit is suggested by Texas Instruments opto-electronic documentation.
In the figure we have the way to make the three-phase control of a motor using opto-diacs. The circuit is...
This circuit for testing the voltage gain of a transistor was found in the March 1953 issue of...
This circuit was found in a PE Hobbyst Handbook from 1992. The second oscillator is a VFO. The...