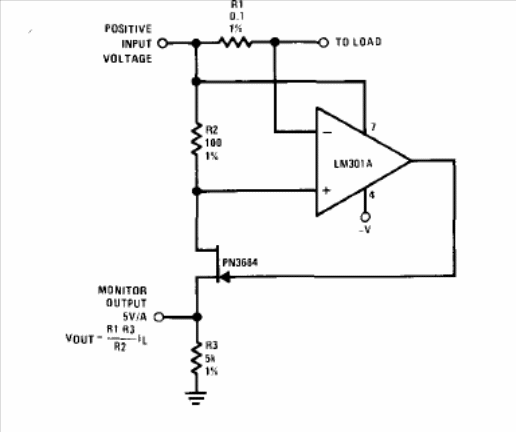
We found this circuit in the National Semiconductor FET manual. The components are calculated according to the formula next to the diagram and equivalent FETs can be used.

We found this circuit in the National Semiconductor FET manual. The components are calculated according to the formula next to the diagram and equivalent FETs can be used.
