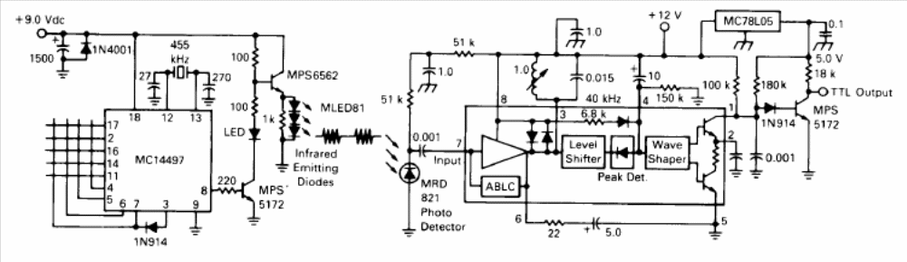
This circuit uses unusual Motorola components. The circuit was suggested in the 1990 Linear Databook. Transistors can be replaced with equivalents.
In the figure we have the way to make the three-phase control of a motor using opto-diacs. The circuit is...
This circuit for testing the voltage gain of a transistor was found in the March 1953 issue of...
This circuit was found in a PE Hobbyst Handbook from 1992. The second oscillator is a VFO. The...