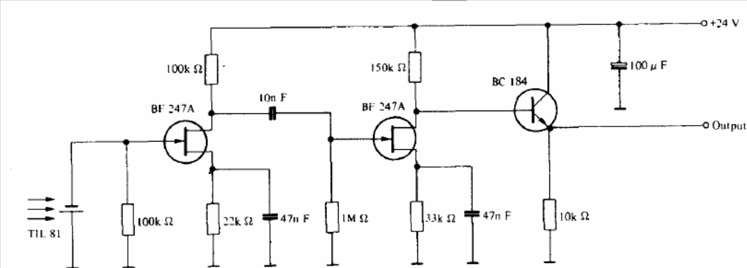
We found this circuit in the Texas Instruments optoelectronics manual. Field effect transistors can be BF245 and bipolar BC548. The sensor is a photodiode in the photo-generator mode.
This UHV generator circuit or ultra-high voltage was found in a 90s Electronic Engineering 90s. The triac...
This circuit is suggested by National Semiconductor and is based on a DAC1280A Digital Analog...
We found this circuit in the April 1996 issue of Electronics Now magazine. The circuit uses a...