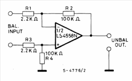
The operational amplifier used is a double 741. The power supply is symmetrical, and the gain is given by the relationship between R1 and R2. The circuit is from the 1982 SGS Linear Integrated Circuits Manual.

The operational amplifier used is a double 741. The power supply is symmetrical, and the gain is given by the relationship between R1 and R2. The circuit is from the 1982 SGS Linear Integrated Circuits Manual.
