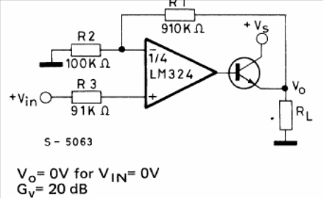
This configuration was obtained in the SGS manual of linear integrated circuits of 1982. The transistor can be the BD135 for currents up to 500 mA and must be equipped with a heat radiator.

This configuration was obtained in the SGS manual of linear integrated circuits of 1982. The transistor can be the BD135 for currents up to 500 mA and must be equipped with a heat radiator.
