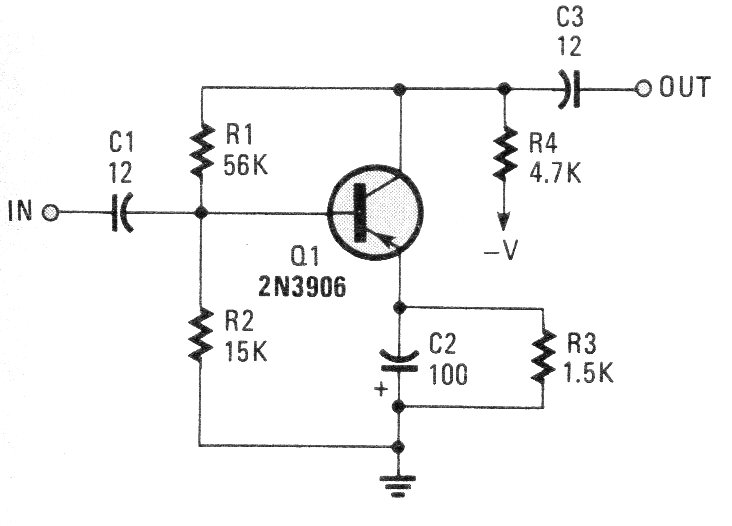
This is an amplifier for low intensity audio and low frequency signals. The transistor can be a BC558 and the supply is made with voltages from 6 to 12 V. We found the configuration in a documentation from the 1980s.
This is an amplifier for low intensity audio and low frequency signals. The transistor can be a BC558 and the supply is made with voltages from 6 to 12 V. We found the configuration in a documentation from the 1980s.