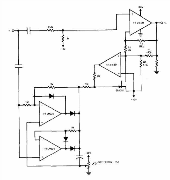
The circuit shown is from the National Semiconductor FET manual. Both operational and FETs admit equivalents.
This is a possible circuit for the receiver of the previous circuit. Other circuits can be found...
Some delicate sensors such as reed-switches and even sensors made with small metal plates do not...
This 6 transistor TR26 commercial radio was sold in Japan in the 60s. It is a super heterodyne circuit...