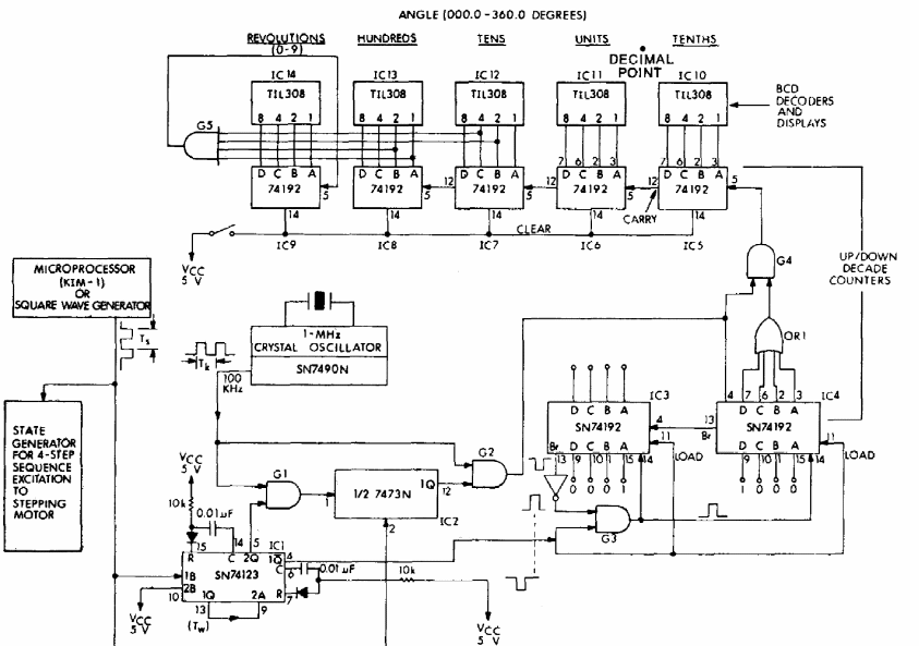
This interesting circuit, from a digital documentation two years 1978 shows how to implement a circuit that measures the position or angle of a stepper motor controlled by a microcontroller.
This antenna tuner was found in a 1995 publication in the 1993 Electronics Hobbyists Handbook. The coil...
This circuit is from the 1982 SGS Linear Circuits Manual. The circuit provides currents from 35 mA...
ROHM Semiconductor is featured in a new line of IR LEDs, Proximity Optical Sensors and Ambient...