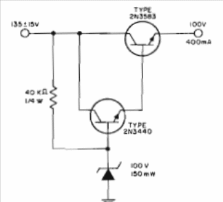
We found this circuit in the 1972 RCA power transistors manual. The transistors admit equivalents and must be equipped with good heat radiators. The circuit operates with a lower dissipation resistor and a smaller zener.

We found this circuit in the 1972 RCA power transistors manual. The transistors admit equivalents and must be equipped with good heat radiators. The circuit operates with a lower dissipation resistor and a smaller zener.
