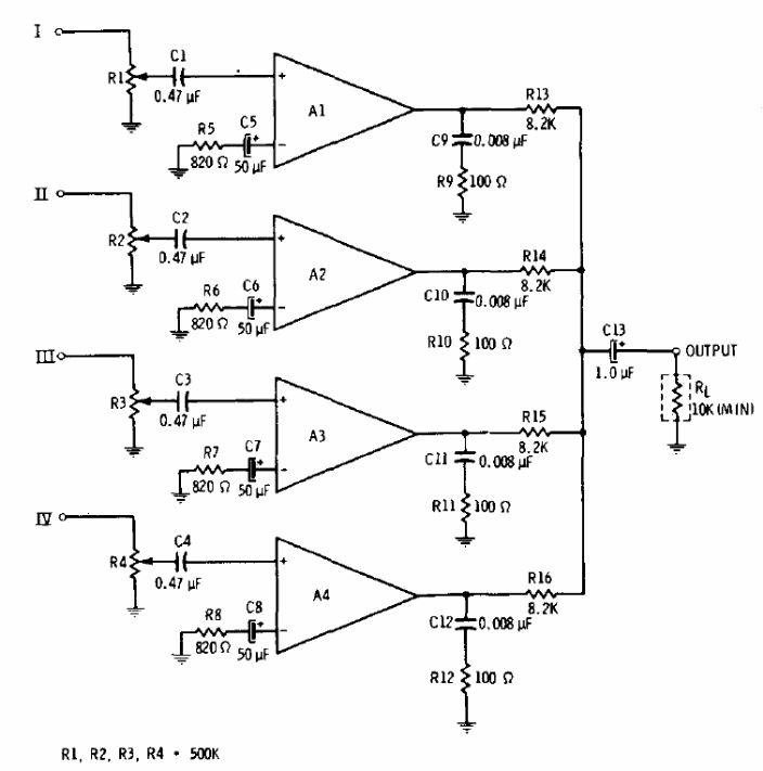
We found this circuit in a 1974 integrated circuit manual. Operational amplifiers can be of virtually any type and have a symmetrical power supply from 6 to 12 V. The input cables must be shielded and the input potentiometers 470k. The gain is 20 dB, and the output impedance is 10k.




