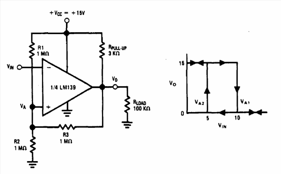
This hysteresis comparator was found in the 1994 National Semiconductor Linear Applications Handbook. The circuit does not need a symmetric power source and the hysteresis is given by R3, R1 and R2.
This hysteresis comparator was found in the 1994 National Semiconductor Linear Applications Handbook. The circuit does not need a symmetric power source and the hysteresis is given by R3, R1 and R2.