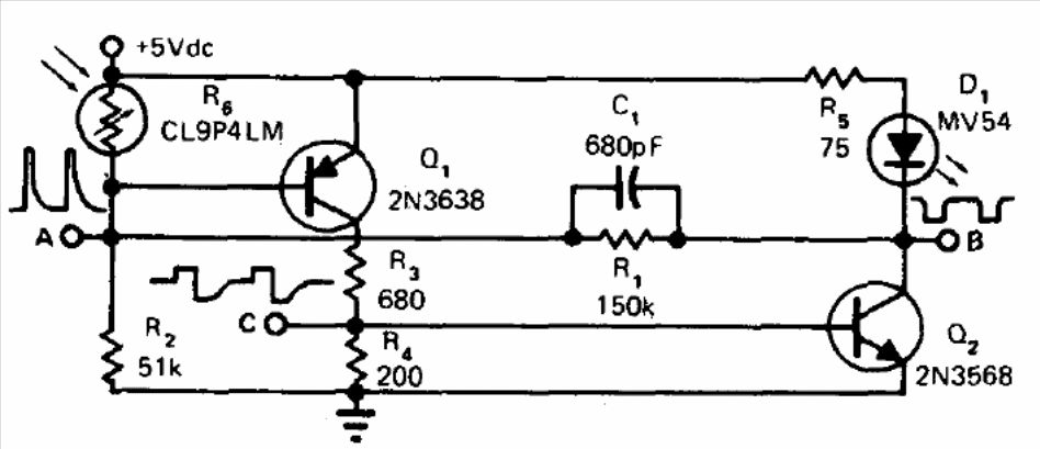
We found this circuit in a documentation from the 75s. Transistors admit equivalents such as BC558 and BC548. LDR is common. The circuit produces 5 kHz pulses when the LDR is illuminated. The indicator LED can be of any type. The signal output is rectangular TTL compatible.




