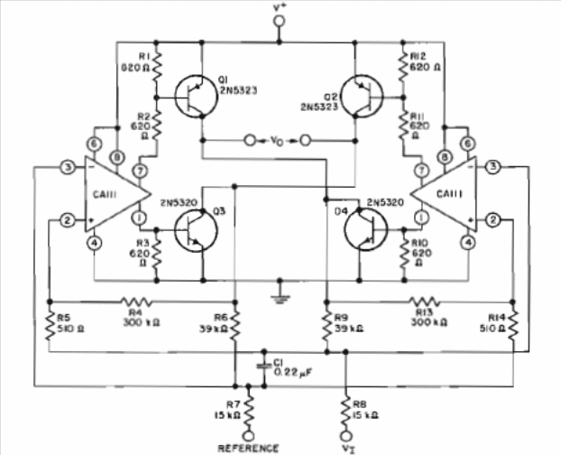
This switched, switched or PWM amplifier was obtained in the 1972 RCA linear integrated circuit manual. The components can be replaced by more modern equivalents, such as the output power transistors that can be of the TIP series equipped with heat radiators. Symmetrical power must be between 5 and 12 V.




