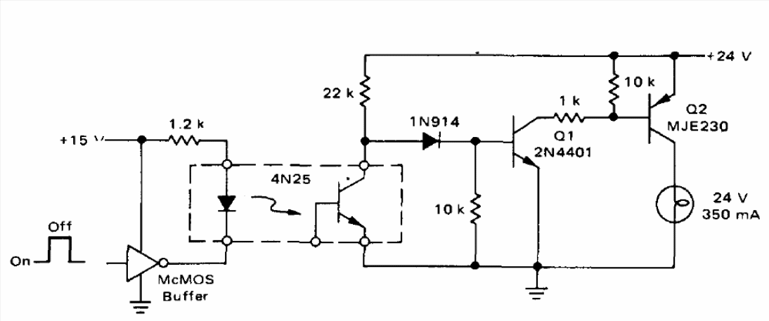
This circuit is from a Motorola manual from the 70s. The circuit can be implemented with more modern transistors such as the BC548 for Q1 and a PNP of power depending on the load. We can use the BD136 for loads up to 500 mA. The Circuit can be used as a shield for microcontrollers.




