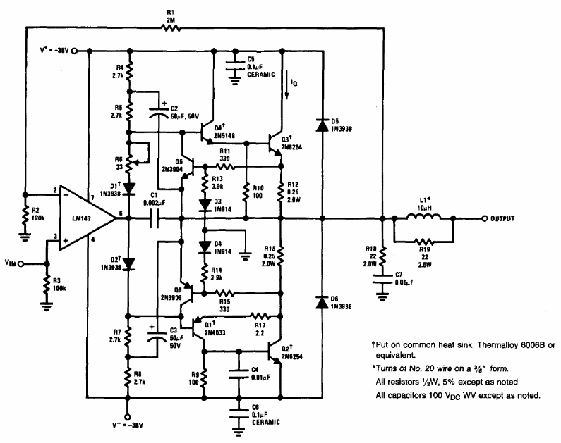
This circuit was suggested by National Semiconductor in its Linear Application Handbook. The operational LM143 is a special type of high voltage and is not easy to obtain. Transistors also support high voltage and high current equivalents. The source must be compatible with the circuit power, with at least 5 A.




