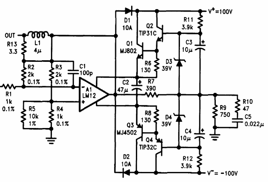
The amplifier presented is based on the National Semiconductor LM12 and high-power MJ transistors. The components mentioned are not easy to obtain. The circuit is from the 1994 Linear Applications Handbook.
The amplifier presented is based on the National Semiconductor LM12 and high-power MJ transistors. The components mentioned are not easy to obtain. The circuit is from the 1994 Linear Applications Handbook.