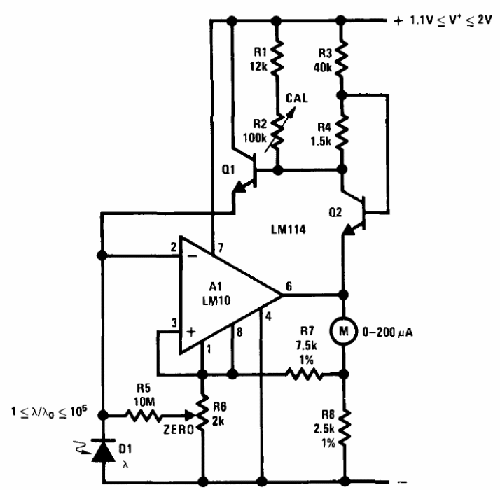
We found this circuit in the National Semiconductor Linear Applications Handbook of 1994. The operational amplifier is not common, and the transistors are part of a National array. Common matched transistors can be used.
We found this circuit in the National Semiconductor Linear Applications Handbook of 1994. The operational amplifier is not common, and the transistors are part of a National array. Common matched transistors can be used.