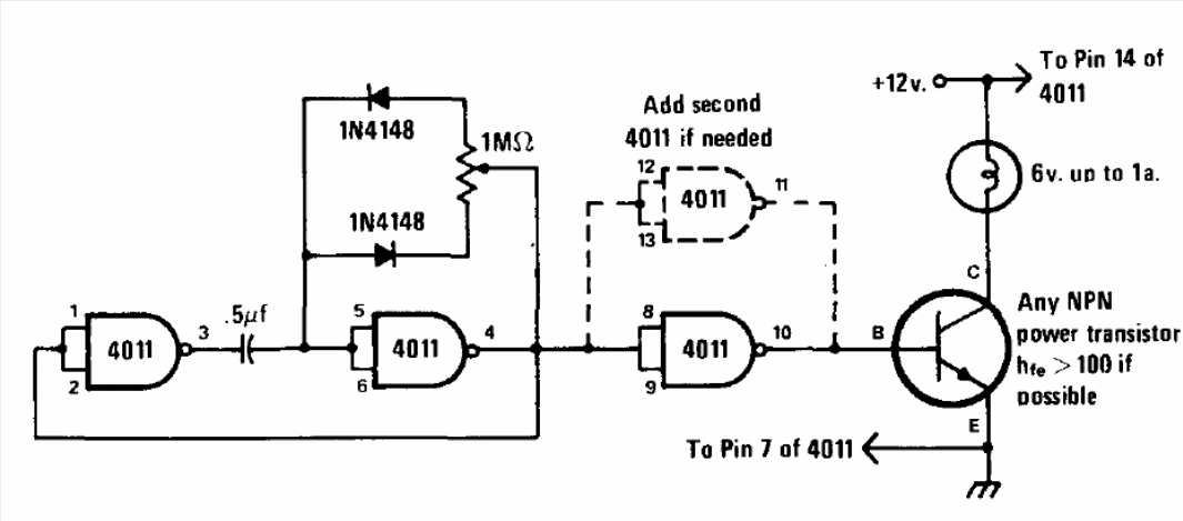
The transistor for this flashlight brightness control may be the BD135. The circuit is from 1978 documentation. We can also use it as a dimmer for white LEDs with power in the range of 6 to 12 V.
.
The transistor for this flashlight brightness control may be the BD135. The circuit is from 1978 documentation. We can also use it as a dimmer for white LEDs with power in the range of 6 to 12 V.
.