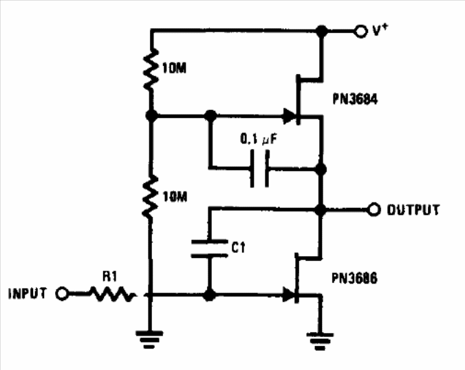
The configuration shown allows to obtain a high voltage gain for FETs. FETs can be BF245 or MPF102. The circuit is from the 1977 National Semiconductor FET Databook.
The circuit is simple, as it uses only one transistor and a relay that can be MC2RC1 or MC2RC2,...
We found this circuit in a 1990 documentation. It works with the power of the digital circuit...
The filter shown in the figure can operate with frequencies up to several tens of megahertz thanks...