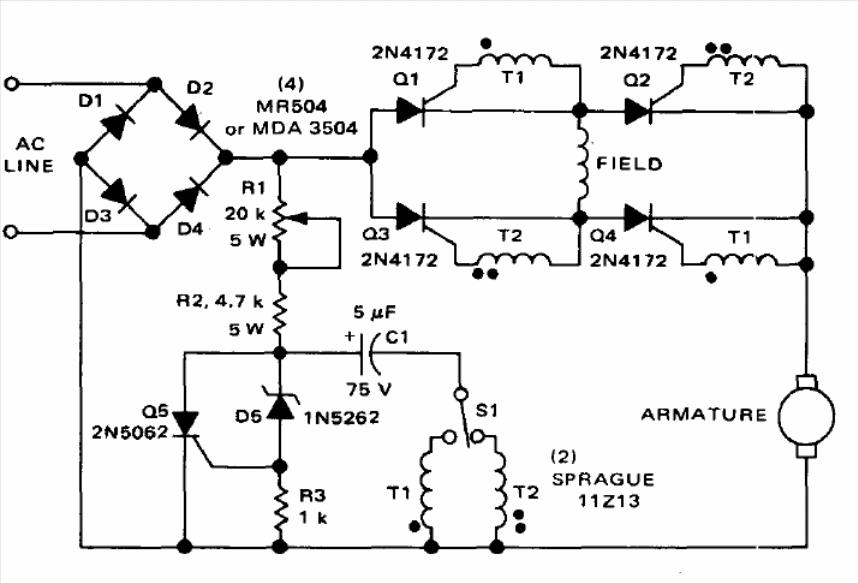
This motor control with SCRs is from Motorola documentation from 1976. SCRs must have currents according to the controlled motor, as well as the bridge diodes. The trip transformers have a 1: 1 turn ratio.
This motor control with SCRs is from Motorola documentation from 1976. SCRs must have currents according to the controlled motor, as well as the bridge diodes. The trip transformers have a 1: 1 turn ratio.